不同的驅動方式,控制邏輯,在工作中產生的電量損耗會有所不同。因此想要LED大屏幕在能耗上降低,不僅僅需要考慮燈珠,驅動IC、控制器,也是需要考慮的。
綠色環保已經成為當今時代的一大主題,社會在進步,但環境的污染也在不斷的擴大,因此人類必須要保護好我們的家園,而現如今,各行各業也都在提倡制造綠色環保的產品,那么LED企業如何能夠研發設計出不會產生光污染和浪費電能源的
LED顯示屏,這已成為生產企業必須解決的一個重要產品性能。

LED顯示屏已經廣泛應用于城市的各個街角,已成為了一種提升城市形象的獨特標志,但它在美化城市形象的同時,屏體強烈的光線也對城市居民的夜間生活造成了一定的負面影響。雖然LED行業是一個“造光”的行業,顯示屏“產光”本無可厚非,但從城市的環境污染指標來衡量,它已經淪為了一種新的污染類型“光污染”。因此,作為企業應該在生產中應注重“光污染”問題,應掌控好亮度的設置。
光度可根據環境調整
根據白天和夜晚,在不同地點環境和時間段下,顯示屏亮度的稍微變化就會產生極大的效果。如果LED顯示屏的播放亮度大于環境亮度百分之五十,我們就會明顯感覺眼睛不適,也就造成了“光污染”。
那么我們可以通過戶外亮度采集系統,隨時的對環境亮度進行采集,并且利用顯示屏控制系統通過接收系統數據和通過軟件自動換算成適合環境的亮度進行播出畫面。
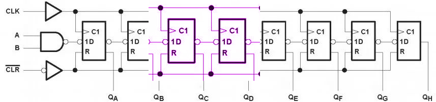
概述:
這8位移位寄存器具有AND-門控串行輸入和異步清除功能。門控串行(A和B)輸入允許完全控制輸入數據;任意一個輸入處(A或B)的低值會抑制新數據的輸入,并在下一個時鐘(CLK)脈沖時將第一個觸發器重置到低電平。高級輸入啟用另一個輸入,然后決定第一個觸發器的狀態。只要CLK滿足zui小設置時間要求時,無論CLK高或低時,串行輸入處的數據可以被更改。時鐘發生在CLK的低到高水平的過渡上。
特性:
① 寬工作電壓范圍: 2V~6V
② 輸出可驅動多達10個低功耗肖特基型(LSTTL)負載
③ 低功耗,zui高 80 μA Icc
④ 典型 tpd=20ns
⑤ 5V 下 ±4mA 輸出驅動
⑥ zui大 1μA 低輸入電流
⑦ AND-門控(啟用/禁用)串行輸入
⑧ 完全緩沖的時鐘和串行輸入
⑨ 直接清除
⑩ SOIC-14封裝